Page 118 - Installation Manual - GenII DTS
P. 118
Accessories
Junction Box
Junction Box Mounting Dimensions
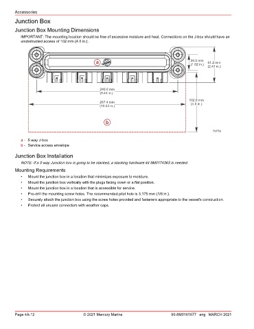
IMPORTANT: The mounting location should be free of excessive moisture and heat. Connections on the J‑box should have an
unobstructed access of 102 mm (4.0 in.).
a 26.0 mm 61.2 mm
(1.02 in.)
(2.41 in.)
240.0 mm
(9.45 in.)
102.0 mm
267.4 mm
(10.53 in.) (4.0 in.)
b
70778
a - 5‑way J‑box
b - Service access envelope
Junction Box Installation
NOTE: If a 5‑way Junction box is going to be stacked, a stacking hardware kit 8M0174363 is needed.
Mounting Requirements
• Mount the junction box in a location that minimizes exposure to moisture.
• Mount the junction box vertically with the plugs facing down or a flat position.
• Mount the junction box in a location that is accessible for service.
• Pre‑drill the mounting screw holes. The recommended pilot hole is 3.175 mm (1/8 in.).
• Securely attach the junction box using the screw holes provided and fasteners appropriate to the vessel's construction.
• Protect all unused connectors with weather caps.
Page 4A-12 © 2021 Mercury Marine 90-8M0161677 eng MARCH 2021

