Page 31 - Installation Manual - GenII DTS
P. 31
Legacy Controls
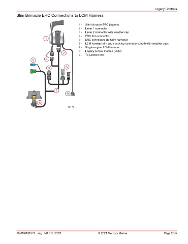
Slim Binnacle ERC Connections to LCM Harness
1 - Slim binnacle ERC (legacy)
2 - Lever 1 connector
3 - Lever 2 connector with weather cap
4 - ERC trim connector
1 5 - ERC connectors (to helm harness)
6 - LCM harness trim and start/stop connectors, both with weather caps
7 - Single‑engine LCM harness
8 - Legacy control module (LCM)
2 9 - To junction box
5 4
3 6
7
9
LCM
8
72176
90-8M0161677 eng MARCH 2021 © 2021 Mercury Marine Page 2E-5

