Page 36 - Installation Manual - GenII DTS
P. 36
Legacy Controls
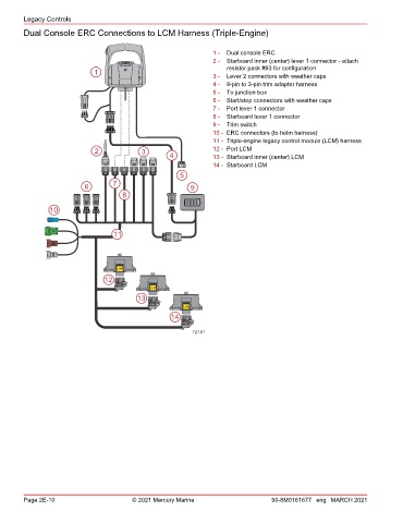
Dual Console ERC Connections to LCM Harness (Triple‑Engine)
1 - Dual console ERC
2 - Starboard inner (center) lever 1 connector ‑ attach
resistor pack #93 for configuration
1
3 - Lever 2 connectors with weather caps
4 - 8‑pin to 3‑pin trim adapter harness
5 - To junction box
6 - Start/stop connectors with weather caps
7 - Port lever 1 connector
8 - Starboard lever 1 connector
9 - Trim switch
10 - ERC connectors (to helm harness)
11 - Triple‑engine legacy control module (LCM) harness
2 3 4 12 - Port LCM
13 - Starboard inner (center) LCM
14 - Starboard LCM
5
6 7 9
8
10
11
LCM
12
LCM
13
LCM
14
72181
Page 2E-10 © 2021 Mercury Marine 90-8M0161677 eng MARCH 2021

