Page 42 - Installation Manual - GenII DTS
P. 42
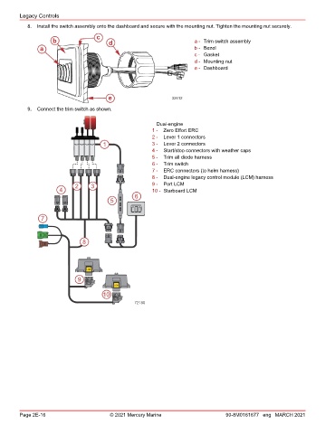
Legacy Controls
8. Install the switch assembly onto the dashboard and secure with the mounting nut. Tighten the mounting nut securely.
c
b d a - Trim switch assembly
a b - Bezel
c - Gasket
d - Mounting nut
e - Dashboard
e 32612
9. Connect the trim switch as shown.
Dual-engine
1 - Zero Effort ERC
2 - Lever 1 connectors
1 3 - Lever 2 connectors
4 - Start/stop connectors with weather caps
5 - Trim all diode harness
6 - Trim switch
7 - ERC connectors (to helm harness)
8 - Dual‑engine legacy control module (LCM) harness
2 3 9 - Port LCM
4 10 - Starboard LCM
6
5
7
8
LCM
9
LCM
10
72180
Page 2E-16 © 2021 Mercury Marine 90-8M0161677 eng MARCH 2021

